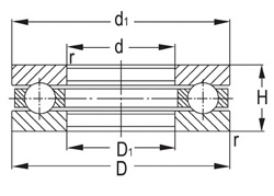
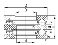
| Bearings of
this type consist of the
washers with raceway and the
assembly of ball and cage.
The washer that contacts the
shaft is called shaft
washer, and the one attached
to the housing is called
housing washer. Thrust
bearings, thrust ball
bearings in double
directions have a central
washer connected to the
shaft. Single-direction
bearings can carry axial
load in one direction, and
double-direction bearings
can carry axial load in two
directions. The bearings,
thrust ball bearing, angular
contact thrust ball bearing,
large diameter thrust ball
bearing with housing washer
which has spherical mounting
surface is self-aligning and
can reduce the effects of
mounting error. Applications
of these bearings can be
found in steering mechanism
of automobiles and machine
tool spindles. |
 |
 |
|
Single-direction |
Double-direction |
|
HMEC’s
manufacture range |
|
Single-direction |
|
511XX |
Bore
diameter 10~900mm |
|
512XX |
Bore
diameter 10~900mm |
|
513XX |
Bore
diameter 25~900mm |
|
514XX |
Bore
diameter 25~900mm |
|
532XX |
Bore
diameter 20~900mm |
|
533XX |
Bore
diameter 25~900mm |
|
534XX |
Bore
diameter 25~900mm |
|
522XX |
Bore
diameter 25~900mm |
|
523XX |
Bore
diameter 25~900mm |
|
524XX |
Bore
diameter 25~900mm |
|
542XX |
Bore
diameter 120~900mm |
|
543XX |
Bore
diameter 120~900mm |
|
544XX |
Bore
diameter 120~900mm |
|
|