|
Dimension(mm)
|
Dimension(mm)
|
|
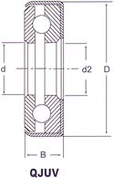
Bearing
No.
|
D
|
d
|
B
|
K
|
Bearing
No.
|
D
|
d
|
B
|
K
|
|
QUV1307
|
13
|
7.3
|
7
|
2
|
QJUV1404
|
27/32
|
1/4
|
21/64
|
0.275
|
|
QUV1407
|
14
|
7.3
|
7
|
2.5
|
QJUV1407
|
55/64
|
29/64
|
9/32
|
0.478
|
|
QUV1507
|
15
|
7.3
|
7
|
2.5
|
QJUV1608
|
1
|
1/2
|
11/32
|
0.525
|
|
QUV1508
|
15
|
8.3
|
6
|
2.5
|
QJUV1706
|
1-3/64
|
3/8
|
23/64
|
0.400
|
|
QUV1709
|
17.5
|
9.3
|
6
|
2.5
|
QJUV1707
|
1-3/64
|
7/16
|
23/64
|
0.462
|
|
QUV1710
|
17.5
|
10.3
|
7
|
2.5
|
QJUV1708
|
1
|
1/2
|
11/32
|
0.525
|
|
QUV2011
|
20
|
11.3
|
8
|
2.5
|
QJUV1810
|
1-1/8
|
5/8
|
11/32
|
0.656
|
|
QUV2212
|
22
|
12.3
|
8
|
3.17
|
QJUV2008
|
1-17/64
|
1/2
|
7/16
|
0.525
|
|
QUV2214
|
22
|
14.3
|
8.5
|
3.17
|
QJUV2009
|
1-11/32
|
9/16
|
7/16
|
0.587
|
|
QUV2516
|
25
|
16.3
|
9
|
3.17
|
QJUV2310
|
1-27/64
|
5/8
|
29/64
|
0.650
|
|
QUV2518
|
25
|
18.3
|
10
|
4.76
|
QJUV2712
|
1-21/32
|
3/4
|
35/64
|
0.775
|
|
QUV3320
|
33
|
20.4
|
10
|
4.76
|
QJUV2816
|
1-3/4
|
1-1/64
|
5/8
|
1.031
|
|
QUV3322
|
33
|
22.5
|
12
|
5
|
QJUV3014
|
1-57/64
|
7/8
|
19/32
|
0.900
|
|
QUV4323
|
43.5
|
23.5
|
12
|
5
|
QJUV3216
|
1-31/32
|
1
|
5/8
|
1.031
|
|
QUV4324
|
43.5
|
24.5
|
12
|
5
|
QJUV3217
|
1-31/32
|
1-1/16
|
5/8
|
1.094
|
|
QUV4325
|
43.5
|
25.5
|
12
|
5
|
QJUV3418
|
2-3/32
|
1-1/18
|
5/8
|
1.150
|
|
QUV4326
|
43.5
|
26.5
|
12
|
5
|
QJUV3419
|
2-3/32
|
1-3/16
|
5/8
|
1.212
|
|
|